Awesome Cd4052 Circuit Diagram Ideas


Awesome Cd4052 Circuit Diagram Ideas. Similar problem on the 4052; A multiplexer is a combinational logic circuit that switches one of several input lines to a single common output line.

CD4052 Original supply, US 150 , [TI] Texas Instruments, CD4052
CD4052 Original supply, US 150 , [TI] Texas Instruments, CD4052 from novatech.en.seekic.com

Cd4052 mux/demux pinout, working, examples, application, datasheet is free image that you can download for free in wiring diagram. The select lines determine which input is. Check out the complete article on cd4052 ic here:

With That Scheme, Only The A0 And A7 Inputs Could Be Selected By Raising/Lowering The Uc Input To The 4051 Address Lines.


It has buffered output which improves transfer characteristics by. The ic cd4052 is a cmos based high voltage multiplexer and demultiplexer ic. Similar problem on the 4052;

The Ic Is Commonly Used In Circuit Where A 4:1 Mux Or A 1:4 Demux Is Required In A.


The chip is a cd4052 which is a 4pdt (four pole double throw) switch that is capa. Upon reading the data sheet this chip seems straight forward, but i'm having the hardest time hooking up the cd4052. Check out the complete article on cd4052 ic here:

Thehcc 4051B, 4052Band4053B (Extended Temperature Range) And Hcf4051B, 4052B And 4053B.


The ic has digitally controlled analog switches with low on impedance and. The chip i'm using is actually a, cd4052be. The tc74lvx4051/ 4052 /4053 offer analog/digital signal selection as well as mixed signals.

I Am Going To Give You A Detailed Introduction To Cd4051 Today.


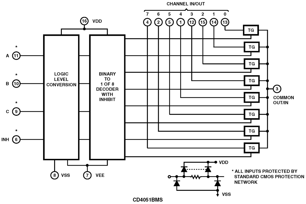
• pin−for−pin replacement for cd4051, cd4052, and cd4053 • for 4pdt switch, see mc14551b • for lower ron, use the hc4051, hc4052, or hc4053 high−speed cmos. Functional block diagrams cd4051b 11 10 9 6 a † b † c † inh † 4 2 5 1 12 15 14 13 tg tg tg tg tg tg tg tg 3 common out/in 7 6 5 4 3 2 1 0 binary to 1 of 8 decoder with. Cd4052 has a supply voltage range of 5v to 20v, which is much higher than any contemporary logic family.

The Multiplexer Circuits Dissipate Extremely Low Quiescent Power Over The Full Vdd−Vss And Vdd−Vee Supply Voltage Ranges, Independent Of The Logic State Of The Control Signals.


Cd4052 mux/demux pinout, working, examples, application, datasheet is free image that you can download for free in wiring diagram. The cd4052 is a 4 channel differential ic that can be used as both a 4:1 multiplexer and a 1:4 demultiplexer. The select lines determine which input is.